联系人:朱经理
手 机:137 1497 2229
电 话:0755-86216601
地 址:深圳市龙华区观澜大道75号田背花园E单元806

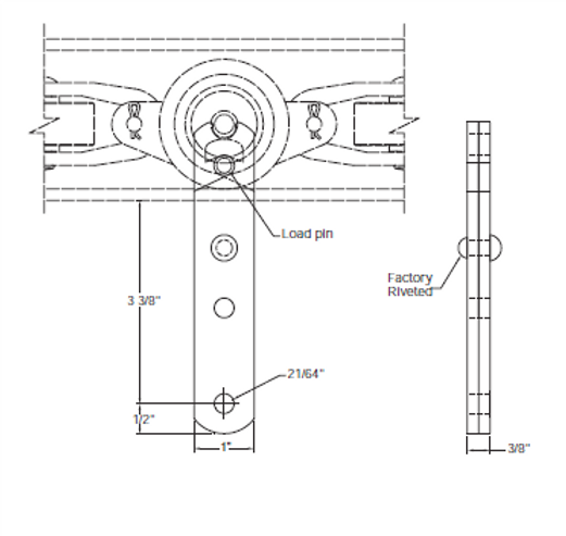
2035.00317 刚性直侧载吊坠刚性直侧载吊坠 75 磅容量刚性直边吊坠与刚性 U 形吊坠类似,只是侧面是直的。其间距可以是 6 英寸的倍数。它直接连接到传送链垂直链节上的负载销上,表面镀锌。当摆动负载可能令人反感或不允许时,可以使用此吊坠。吊坠始终与轨道保持垂直。

AndyMark EVO Slim for West Coast Drive单速齿轮箱产品概述AndyMark EVO Slim for CIM 是一系列单速齿轮箱,提供高性能、轻量级的解决方案,为竞赛机器人创建坚固的传动系统。EVO Slim 系列变速箱与 EVO 变速杆共享许多通用部件,包括减重功能,以及所有钢齿轮和铝板。EVO Sli…

美国Compliance West公司进口接地连续性测试仪GF-30AC-T用于TUV和其他生产线测试的25A接地测试仪。使用简单,易于解释:绿色表示通过,红色表示未通过;FAIL(失败)停止测试并发出蜂鸣声。与Compliance West Hipot测试仪和我们的HTT-1R功能测试仪相结合,即可获得完整的一键式…
美国Compliance West公司进口耐压测试仪HT-2000P V2HT-P V2系列Hipot测试仪源自重新设计的HT-P系列,提供新的长寿命按钮、坚固的设计、更轻、更清洁的外观。在固定通过/失败点为2.93Ω的情况下执行接地连续性测试,0-2000V AC Hipot测试,中性点/热接地泄漏电流测试高达20mA DC…

美国Compliance West公司进口耐压测试仪HT-2800P V2-RFCompliance West推出了我们的耐用Hipot测试仪HT-2800P V2-RF。它被封装在一个足够容纳电缆或DVM的运输机柜中,无需将其从机柜中取出即可访问所有控制装置。执行0-2800直流Hipot测试。中性点/热接地泄漏电流测试,最高5 mA …

美国Compliance West公司进口耐压测试仪HT-5000P AC这款AC/DC hipot采用易于使用的微控制器技术,设计坚固耐用,在20mA时可测试5000Vac,在10mA时可测试6000Vdc。经过测试,可以承受6英寸的跌落测试,没有损坏。特点:交流输出:最高5000 V。直流输出:最高6000V。

美国Compliance West公司进口耐压测试仪HT-3000P AC我们的HT-3000AC-1A V2是一款仅限交流的hipot测试仪,输出电压高达3000V,漏电流高达1A。主停机开关不仅功能强大而且安全,而且战略性地位于前面板上。1A最大连续工作,无斜坡,无电弧检测。先进的微控制器技术使单按钮测试变…

美国Compliance West公司进口耐压和接地连续性功能测试仪HTT-1HTT-1旨在提供一种快速、安全和可靠的方法来验证介电耐压(hipot)和接地连续性测试仪在校准周期之间的正确操作。它允许操作员单独或以任何组合方式检查生产现场和接地电路测试中遇到的三种故障模式(开路、高漏电流…
扫一扫咨询微信客服